• Promenada 13, 22000 Sremska Mitrovica, Srbija
  • office@geodigit.rs
  • +381 22 62 45 83
  • +381 22 21 50 240

PLANIRANJE I PROJEKTOVANJE

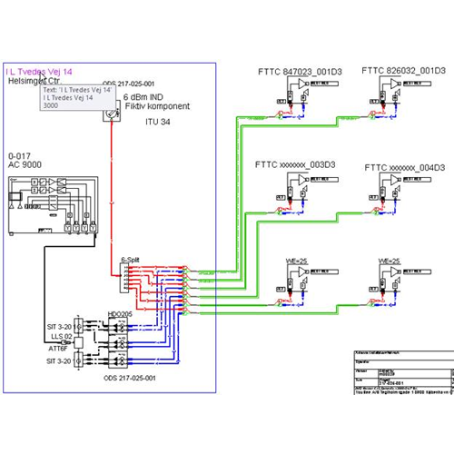
Pasivne optičke mreže (PON)

U mogućnosti smo da pružimo usluge iz oblasti projektovanja, planiranja, prikupljanja dokumentacije i dozvola, izvođenja radova, polaganja kablova i spajanja svih vrsta telekomunikacionih mreža uglavnom baziranih na P2P, i GPON tehnologijama.

GODINE ISKUSTVA U OBLASTI TELEKOMUNIKACIJSKIH MREŽA

Posedujemo iskustvo u projektovanju i modifikaciji telekomunikacionih mreža na bazi optičkih i koaksijalnih kablova. Naš iskusni tim inženjera ponudiće najnovija i visokokvalitetna tehnička rešenja koja su u skladu sa najvišim standardima.

NUDIMO USLUGE RAZVOJA:
  • Idejnih projekata
  • Glavnih projekata
  • Gotovih dizajna
TEHNIČKA REŠENJA:
  • Projektovanje magistralnih i lokalnih priključnih pravaca sa optičkim kablovima
  • Izračunavanje troškova nove mreže
  • Projektovanje trase kablovskih kanala
  • Dizajn FTTH
  • DOCSIS tehnologija

Adresa

Promenada 13
22000 Sremska Mitrovica
Srbija

Kontakt

  • office@geodigit.rs
  • +381 22 62 45 83